![]() |
|
||||||
| 産品分類: 減速機┊蝸輪絲杆升降機┊轉向箱┊蝸輪蝸杆減速機┊齒輪減速機┊行星齒輪減速機┊擺線針輪減速機┊無級變速機┊大功率減速器┊ | ||
![]() |
||
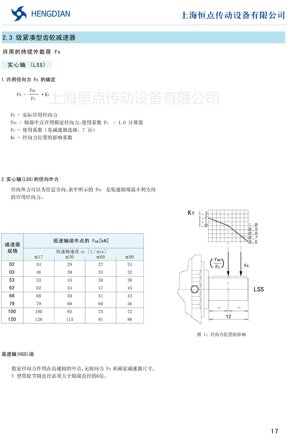
| 當前位置:網站首頁 > MC硬齒面減速器 > 輸出軸許用徑向力 | ||||||||||
|
||||||||||
|
||
| 友情鏈接:機械設備網 | 渦街流量計 | 輸送機 | 變頻控制櫃 | 破碎機 | 工業同城 | 手持終端 | 柴油發電機 | uv平闆打印機 | 風淋室 | QUV | 防火門 | 九愛圖紙 | 感應加熱設備 | 輸送帶廠家 | 噪聲治理 | 西門子plc | 拖鏈電纜 | AGV | 機械雜志 | 現代機械 | UWB高精度定位 | |